ÀûÀ´¹ú¹ú¼Ê×î¸øÁ¦µÄÀÏÅÆ

ÎÒÃǺÜÊÇÖØÊÓÄúµÄ¸öÈËÒþ˽£¬µ±Äú»á¼ûÀûÀ´¹ú¹ú¼Ê×î¸øÁ¦µÄÀÏÅÆÍøÕ¾Ê±£¬ÇëÔÞ³ÉʹÓõÄËùÓÐcookie¡£¡£ÓйظöÈËÊý¾Ý´¦ÀíµÄ¸ü¶àÐÅÏ¢¿É»á¼û¡¶Òþ˽Õþ²ß¡·

shuziluanshengbanner(1)-114.jpg shuziluansheng-532.jpg

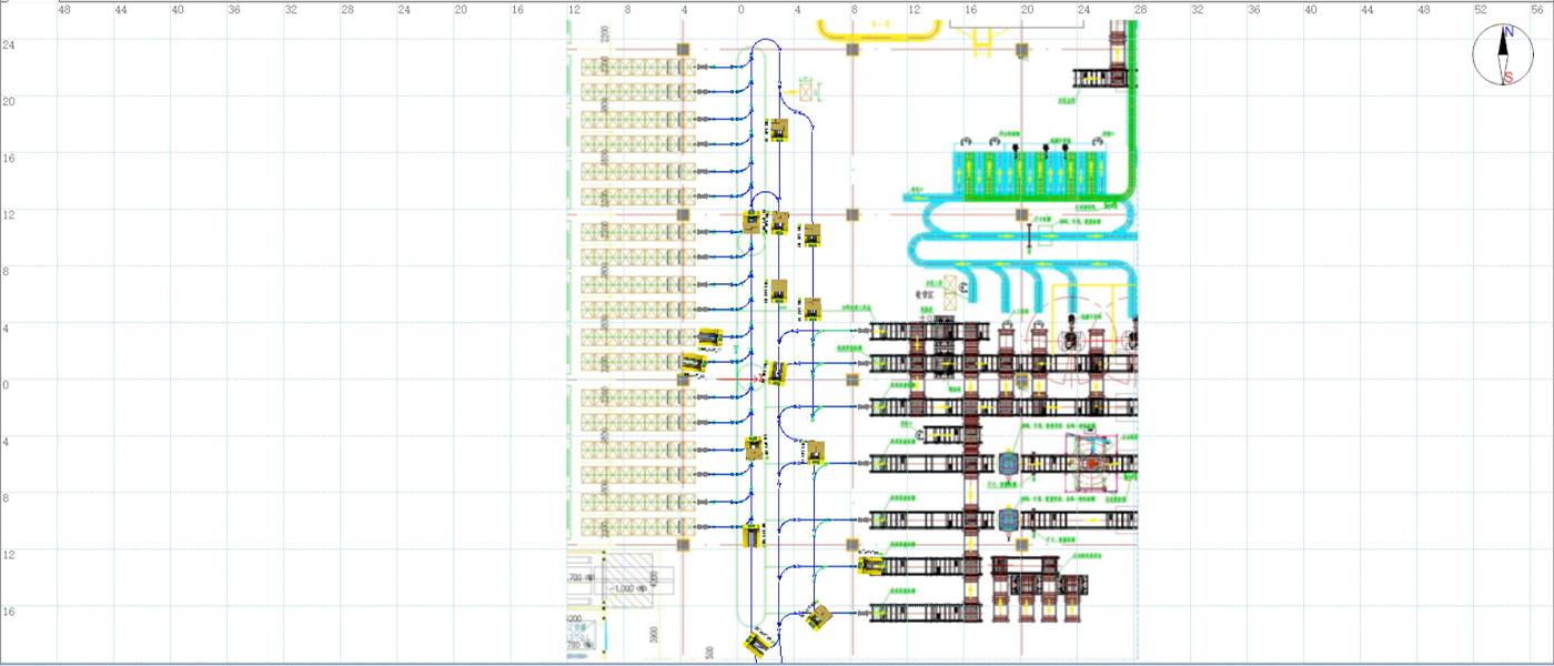
AGVµ÷ÀíÈí¼þ

´òÔìÎïÁ÷È«ÉúÃüÖÜÆÚµÄ¼¯³É»¯ÖÇ»ÛÎïÁ÷ϵͳ

AGVÖÇÄܵ÷ÀíÈí¼þ£¨IMHS- AGV Scheduling System£©

ÀûÀ´¹ú¹ú¼Ê×î¸øÁ¦µÄÀÏÅÆÖÇÄÜAGVµ÷ÀíÈí¼þÖ÷Òª°üÀ¨·ÂÕæ¶ËÄ£×é¡¢·þÎñ¶ËÄ£×é¡¢¼à¿Ø¶ËÄ£×é¡¢ÍýÏë¶ËÄ£×é¡£¡£ »ùÓÚ×ÔÖ÷¿ª·¢¼à¿ØÓë·ÂÕæÒ»Ì廯ÊÖÒÕ£¬¿ÉÈ÷ÂÕæ¶ËÄ£×éÓë¼à¿Ø¶ËÄ£×é¹²ÓÃÒ»Ì×½¹µãËã·¨Óë²ÎÊý£¬Ïà±È×ÔÁ¦µÄ·ÂÕæÈí¼þ£¬·ÂÕæÐ§¹ûÔ½·¢×¼È·£»»ùÓÚʱ¼äÔ¤²â»úÖÆµÄAGVµ÷ÀíÊÖÒÕ£¬ÔÚ´ó¹æÄ£AGVÓ¦Óó¡¾°ÖУ¬¿ÉÓÐÓÃÌá¸ßAGVʹÓÃÂÊ£¬½µµÍ½»Í¨±ÜÕϼ¸ÂÊ£¬ÊµÏÖÕûϵһÇÐЧÂʵÄÌáÉý¡£¡£

0-303.png
ÀûÀ´¹ú¹ú¼Ê(Öйú)×î¸øÁ¦µÄÀÏÅÆ - welcome
b2bx1bg

ÀûÀ´¹ú¹ú¼Ê×î¸øÁ¦µÄÀÏÅÆÓÅÊÆ

l_pics11 1-165.jpg

ʵʱ¸ÐÖª¶¯Ì¬±í´ï

01

ƾ֤AGVʹÃüÐÅÏ¢£¬ÌìÉúһϵÁÐÁ¬ÐøÊ±¼ä´°Ä£×Ó£¬´ú±íAGVµÄʵʱλÖã¬ÊµÏÖÁ˶¯Ì¬ÕæÕæÏàÐθÐÖªÓë±í´ï£¬½â¾ö³µÁ¾Ö®¼äʱ¼äºÍ¿Õ¼ä³åÍ»¡£¡£

l_pics11 2-808.jpg

ÖÇÄܵ÷Àí׼ȷ¸ßЧ

02

ÌØÊâ˼Á¿³µÁ¾ÐÎ×´³ß´ç£¬ÔÚʱ¼ä´°Î¬¶ÈÉϸüÄÜ׼ȷÐÎò³µÁ¾ÔËÐÐÇéÐΣ¬Ïà±ÈÒµÄÚ³£ÓõĻùÓڹܿعæÔòµÄµ÷ÀíÊÖÒÕ£¬¿É½µµÍ±¬·¢½»Í¨¹ÜÖÆµÄ¸ÅÂÊ£¬Ìá¸ßÁË´ó¹æÄ£AGV²¢ÐÐÊÂÇéЧÂÊ¡£¡£

l_pics11 3-590.jpg

¹¦Ð§ÜöÝÍ£¬ÊµÏÖ1+1>2

03

ÜöÝÍ·ÂÕæÓë¼à¿ØË«Öع¦Ð§£¬È÷ÂÕæ¹¦Ð§¿ÉÒÔÖÜÈ«ÒýÓÃ¼à¿Ø¹¦Ð§ÖÐÖÖÖÖϸ½Ú²ÎÊý£¬Ïà±È´¿´âµÄ·ÂÕæÈí¼þƽ̨£¬·ÂÕæÐ§¹ûµÄ׼ȷÐÔ¸ü¸ß¡£¡£¼à¿Ø¹¦Ð§ÒýÈëÁË·ÂÕæ¹¦Ð§ÖеÄÐéÄâ³µÁ¾¿´·¨£¬¿ÉÒÔÔÚ¼à¿ØÖÐÆÊÎöÔöÌí³µÁ¾ºóµÄµ÷ÀíЧ¹û£¬¹¦Ð§Ô½·¢¸»ºñ¡£¡£

Ìá½»ÄúµÄÐèÇó£¬ÎÒÃǽ«¾¡¿ìÓëÄúÁªÏµ

ÍêÉÆÄúµÄÐÅÏ¢£¬ÀûÀ´¹ú¹ú¼Ê×î¸øÁ¦µÄÀÏÅÆÖÇÄÜרҵÍŶÓΪÄúÌṩ·þÎñ£¡£¡£¡

ÐÕÃû *

µç»° *

¹«Ë¾Ãû³Æ *

ְλ *

ËùÊôÐÐÒµ*

ÏîÄ¿ËùÔÚ¶¼»á *

ÐèÇóÐÎò *

ÑéÖ¤Âë *

getVerifyImg
huan

»»Ò»»»

ÀûÀ´¹ú¹ú¼Ê(Öйú)×î¸øÁ¦µÄÀÏÅÆ - welcome

ÎÒÒÑ×ÐϸÔĶÁ²¢ÔÞ³É Òþ˽Õþ²ß

ÀûÀ´¹ú¹ú¼Ê(Öйú)×î¸øÁ¦µÄÀÏÅÆ - welcome
¡¾ÍøÕ¾µØÍ¼¡¿
AGVÖÇÄܵ÷ÀíÈí¼þ-ÀûÀ´¹ú¹ú¼Ê×î¸øÁ¦µÄÀÏÅÆÖÇÄ